光学図面の基礎(1)
![]() | 教授。試作図面を製図しないといけないんですけど、メカ担当者がいなくて困ってます。 | |
![]() | それなら、自分で製図するしかないですね。 | |
![]() | え〜。3D-CAD使えないですけど。 | |
![]() | 別に、図面なんて手書きでもパワーポイントでも構わないんですよ。あれがないから、これができない、なんて言ってたら研究開発なんてやってられないです。なければ自分で作ればいいし、できないなら、できるように工夫するだけの話です。 | |
![]() | う〜ん。正論すぎて反論できません。でも、製図しないといけないのは、メカ部品だけじゃなくて、光学部品もなんですけど。 | |
![]() | 光学部品だって、メカ部品の1つです。製図の基本ルールは同じですよ。ただ、光学部品の場合は、専用のパラメータがあるので、知っておくべき項目が増えるのは仕方がありません。 | |
![]() | 製図のルール…。多いんだよなぁ。 | |
![]() | 確かにそうなんですが、製図のルールを覚える前に、もっと重要なことがありますね。 | |
![]() | え??どんなことですか?? | |
![]() | それは製図の"心"というやつです。 | |
![]() | 何か精神論みたいですね。 | |
![]() | そうですよ。精神論です。図面は基本的に情報伝達手段の1つですから、相手に設計者の意図が正確に伝わらないといけません。そこには、加工方法や測定方法も含まれます。また、記録という一面も忘れてはいけません。 | |
![]() | 意図が伝われば、別にルールなんて必要ないんじゃないですか?? | |
![]() | ですが、製図した図面に基づいて相見積もりを取ったりするわけで、問い合わせがあるたびに、いちいち説明する方が面倒でしょう?? | |
![]() | う〜ん、言われてみれば、そうですが…。 | |
![]() | もし相手が海外メーカーだったら、英語で対応ですよ?? | |
![]() | うわ。それは絶対に無理です。 | |
![]() | ほしい部品が、どこに作製依頼をかけても、ある一定のレベルの仕上がりで納品されるようにしたい。それに要する手間暇を簡便化するためのルールだから、覚えた方が効率的なんですよ。そういう意味では、図面は楽譜に似ていると思います。 | |
![]() | 楽譜ですか?? | |
![]() |
そうです。設計者=作曲者、加工者=演奏者というイメージです。お互いに共通のルールを知っているから、正しい演奏ができるのであり、正しい加工ができるのです。もし、そのルールが独善的だと、意思疎通もへったくれもあったものではありません。例えば、図1はTerry Rileyが作曲した"Keyboard Study #2"という曲の譜面です。![]() 図1.Terry Rileyの"Keyboard Study #2" | |
![]() | こ、これは…。どう演奏すればいいのか、さっぱり分かりませんね。 | |
![]() | はい。同じようなことが図面にも言えます。ですので、ある程度のルール化は仕方のないことです。 | |
![]() | でも、ある程度と言うわりに、ルールの数が多いんですけど…。 | |
![]() | 加工のバリエーションが多いから、それもしょうがないです。けれども、光学図面に限れば、押さえるべきルールはそれほど多くないですし、たいてい常識の範囲で語れるので、"相手に分かりやすい図面"という"心"がブレなければ、恐るるに足らずです。 |
![]() | 図面が加工方法も指示するというのは何となく分かりますけど、測定方法も指示するんですか?? | |
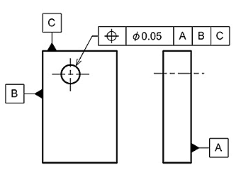
![]() |
そうです。特にデータム系が指定されているときは要注意です。![]() 図2.データムの優先順位 | |
![]() | データムが3つありますね。 | |
![]() |
はい。このように指定されていた場合、穴の位置度公差は、第1次データム平面をA、第2次データム平面をB、第3次データム平面をCとして、この順番に部品の姿勢を拘束したうえで計測しなさい、という指示をしていることになります。![]() 図3.付き当ての順番 | |
![]() | アルファベット順に書いているわけじゃないんだ。 | |
![]() | そういう誤解をしている人が、結構いるんですよ。 | |
![]() | さりげなく、重要な情報が盛り込まれているんですね。 | |
![]() | それと、データムに関しては、1つだけ紛らわしいルールがあるので、それは覚えておくといいでしょう。 | |
![]() | どんなルールですか?? | |
![]() |
図4を見てください。違いが分かりますか??![]() 図4.データムの違い | |
![]() | 私、間違い探しとアハ動画、得意なんです。これは、データムの指示線が、寸法線の延長にあるか/ないか、ですね。 | |
![]() |
はい。しかし、このちょっとした違いで、図面では意味がまったく異なるんです。図4の左側のように、指示線が寸法線の延長にある場合、データムは寸法の軸線、或いは中心線であると指示していることになります。便宜的に描くと、図5と同じような意味になります。![]() 図5.正しくないデータムの作法 この描き方は、昔は認められていましたが、現在はJISの改定により禁止されています。 | |
![]() | 図4の右側だと、レンズの外周になるんですか?? | |
![]() | そうです。 | |
![]() | そうすると、光学図面で図4の左側のように指示されていたら、中心軸を出してから測定するという手番を踏まないといけないですね。 | |
![]() | そうなります。図面にしたレンズの性能を、どのような使い方のときに保証しなければならないのかは設計者しか分かりません。従って、図4の左側/右側の指示は設計者がしっかり伝えないといけませんし、それを受け取った加工区や検査区は間違わないように気を付ける必要があるのです。 | |
![]() | もしミスしたら―?? | |
![]() | 大きなFコストが発生する可能性がありますね。だから、製図のルールが重要なのです。 |
![]() | 日本で描いた図面は、世界で通用するんですか?? | |
![]() | 基本的には、製図のルールはISO→JISというように制定されているので、たいていの場合は通用します。 | |
![]() | たいてい??何か歯切れの悪い言い方ですね。 | |
![]() |
例えば、面取り記号であるCは、JISでしか規定されてません。つまり、日本でしか通用しない記号です。こういう例外もあるんですよ。![]() 図6.面取り記号のC | |
![]() | 海外まで視野に入れるなら、そういうところも気を付けないといけないですね。 | |
![]() | このシリーズは、機械製図についてはここまでにして、以降は光学製図に特有の項目について説明していきます。 |
| 戻る | 次頁へ |